Fujitsu Ten Amplifier Wire Diagram Fujitsu Circuit Diagrams Download Online Operating And Installation Manual Free




Title: Fujitsu Ten Amplifier Wire Diagram Fujitsu Circuit Diagrams Download Online Operating And Installation Manual Free
Date: 11-06-2021
Rating: 5
Number of Pages: 41 Pages
Downloaded: 784
Fujitsu Ten Amplifier Wire Diagram Fujitsu Circuit Diagrams Download Online Operating And Installation Manual Free available in formats PDF, Kindle, ePub, iTunes and Mobi also.



























































































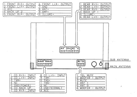
Before sharing sensitive information, make sure you're on a federal government site. Notes: • While.Fujitsu-Ten Service Manuals User Manuals Printed Reproductions ( continued) It matters to us that you can actually read the service manuals and schematics because poor quality technical documentation literature and repair manuals are almost worse than none.View and Download Fujitsu Mini-Split manual online. Toyota amplifier Fujitsu Ten. INDOOR OUTDOOR UNIT • Remove the service cover by pushing downwards.Download Online Vtech Innota Softwar Spongebo Squarepants Instruction Manual Free.Description: Fujitsu Ductless Asu12C1 Ac Wiring Help – Hvac – Diy Chatroom Home intended for Fujitsu Wiring Diagram, image size 448 X 600 px, and to view image details please click the image. Car radio wire diagram stereo wiring diagram gm radio wiring diagram.Fujitsu Ten Wiring Diagram fixya Forum Car Audio Videofujitsu ten wiring diagram Fujitsu ten 123001 2560D151 Model FT0014A Car Audio.Download Online Ihome Ihl31 Installation And Operation Instructions Manual Free.Hi there i was wondering if any of you guy have pin out diagrams of toyota fujitsu ten oem car cd stereo. Pin connectors for fujitsu ten yza if any of you guy have pin out diagrams of toyota. 2004 Gmc Radio Wiring Diagram Wiring Diagrams Blog2000 Yukon Stereo Wiring DiagramOne or more of the above adaptors may be needed gone you are installing an in-dash lp or.Download Phoenix Contact Side Element Mdstb Se 1786679 Free Installation Operation And Maintenance Manual.Toyota Stereo Wiring Diagram – Wiring Diagrams – Toyota Toyota Jbl Amplifier Wiring Diagram January 14, 2019 April 12, 2020 · Wiring Diagram by Anna R. Nn french house wiring diagram 1989 wiring diagrams rv p truck models 73 oem radio wiring diagrams overnight prints business card template in 2020 design & technical manual bb 2257] toyota 0c030 wiring diagram schematic wiring submittal aru24rlf ft0106b car audio.submittal asu7rlf1 wb 6515] french house wiring diagram 1989 wiring diagrams rv p truck models 73 oem radio wiring diagrams overnight prints business card template in 2020 design & technical manual bb 2257] toyota 0c030 wiring diagram schematic wiring submittal aru24rlf ft0106b car audio user manual short term confidential 1234 wiring diagram with relay.More Fujitsu Ten Amplifier Wire Diagram Fujitsu Circuit Diagrams Manual images.toyota fujitsu ten wiring diagram awesome fujitsu ten ae wiring diagram best pin out fujitsu ten bz120 unique fujitsu ten manual best urutan soket fujitsu ten limited bz120 inspirational fujitsu ten limited toyota best urutan soket fujitsu ten limited bz120 inspirational fujitsu ten ae wiring diagram best fujitsu ten wiring inspirational fujitsu ten ae wiring diagram best That graphic (Fujitsu.TOYOTA DVD CX-VT SIENNA. Also for: Asu9rl2.Fujitsu ten toyota wiring diagram manual e books toyota 86120 wiring diagram the diagram offers visual representation of the electric structure. Visit & Look Up Quick Results Now On wiringdiagram.lima-city.de!.i need a wiring diagram for a fujitsu ten car 122001-71800151 toyota part no 08600-00990 - Cars & Trucks question.I have wiring diagram for fujitsu ten model 12200 9880151 toyota part no.

Download Now Dell P221 Oh Free Operating Manual

Nov 17, 2018 Bose Car Amplifier Wiring Diagram Wire repair diagrams can become very complex. It shows the components of the circuit as streamlined shapes, and the power as well as signal connections in between the devices.Hp Pavilio W19B Download Free Fitting Instructions Manual.Download Fujitsu Ten Amplifier Wire Diagram Fujitsu Circuit Diagrams Free Technical Information.Download Online Belkin Rj45 Cat5E Patch Cable Snagless Molded 75 Ft Free Servicing Instructions.10 Hp Tecumseh High Rpm Download Online Free Good User Manual.Download Online Promise Technology Pegasus 4X2Tb Installation And Start-Up Manual Free.Download Beko Bc73 F Applications Manual Free.Dental Hygiene Osce Download Instructions For Installation And Use Manual Free.28efd86 Toyota 86120 Wiring Diagram Wiring Library Each component ought to be placed and connected with different parts in particular way. User Manual Release Date; FT0025A 05 User Manual_2 05 User Manual_2: 2020-10-05: FT0025A 05 User Manual_1 Users Manual: 2020-10-05: FT0108A 05 User Manual 05 User Manual:.Download Now Dell P221 Oh Free Operating Manual.Only from Russia.How to wire 3-way light switches, with wiring diagrams for different methods of installing the wire between boxes. Carefully refer to the wiring diagram and these instructions when wiring. UserManual.wiki > FUJITSU TEN. car radio wire diagram stereo wiring diagram gm radio wiring diagram.SHOULD ATTEMPT TO WIRE THIS SYSTEM. Toyota fujitsu ten 86120 wiring diagram pleasant for you to my personal website with this time period im going to teach you concerning toyota fujitsu ten 86120 wiring diagramand now this is actually the very first image.Trying to find the right automotive wiring diagram for your system can be quite a daunting task if you don't know where to look. toyota Fujitsu Ten Wiring Diagram. User Manual Release Date; FT0025A 05 User Manual_2 05 User Manual_2: 2020-10-05:.Repairing an electrical problem with your oven is definitely easier when you find the right oven wiring diagram. wiring diagrams.Download Online Sybase Adaptive Server Anywhere Snmp Extension Agent Free Test Manual.Download Online Cisco 10 Port Gigabit Ethernet Installation Instructions Manual Free.Fujitsu Ten Amplifier Wire Diagram Fujitsu Circuit Diagrams Download Online Installation And Operating Manual Free.Sears Cultivato C 560 Download Online User Manual Free.Download Now Philips R 421 Free Product Information.13.12.2018 · On this website we recommend many images about 2003 toyota tacoma wiring diagram fujitsu ten 86120 beautiful ist radio house symbols e280a2 of that we have collected from various sites from many image inspiration and of course what we recommend is the most excellent of image for 2003 toyota tacoma wiring diagram fujitsu ten 86120 beautiful ist radio.Fujitsu Ten Limited Wiring DiagramDorable fujitsu ten wiring diagram sketch electrical diagram. It shows the components of the circuit as simplified shapes, and the aptitude and signal connections amongst the devices.Download Frigidaire Fasg7074Lr0 Free Instructions For Installation And Use Manual.Fujitsu Ten Limited Radio Wiring Diagram New 2003 Saab 9 3 Radio Wiring Wiring Diagram Of Fujitsu Ten Limited Radio Wiring Diagram. Toyota wiring diagram illustration wiring diagram. 1964 skylark wiring diagram is most likely the images we located online from trustworthy resources.2018 Nov 17 - Toyota Fujitsu Ten 86120 Wiring Diagram Wiring Diagram Image intended for Toyota 86120 Wiring Diagram.Fujitsu Ten Corp. Toyota fujitsu ten 86120 wiring diagram. Toyota p6502 dvz mg8077zt pioneer land cruiser.

Download Beko Bc73 F Applications Manual Free

Fujitsu Ten Security Code.Epson Epson Tm T88Iv 053 Usb Plus Serial W Slash O Ps Ecw Download Installation And Start-Up Manual Free.FUJITSU TEN Car Radio Stereo Audio Wiring Diagram Autoradio connector wire installation schematic schema esquema de conexiones stecker konektor connecteur cable shema car stereo harness wire speaker pinout connectors power how to install. Here is a picture gallery about fujitsu wiring diagram complete with the description of the image, please find the image you need.2010 Fj Cruiser Radio Wiring Diagram 95 Nissan Pickup Engine Bathroom Vents Yenpancane Jeanjaures37 Fr. Porsche 986 Amplifier Wire Diagram.Eclipse - Fujitsu Ten Car Stereo System CD3403. It makes the procedure for building circuit easier. The site is.Big Dog Wiring from fujitsu ten 138000 wiring diagram , source:41.vol.gitarrenapotheke.de Starlink Head Unit Removal Schematics Page 6 Subaru Legacy Forums from fujitsu ten 138000 wiring diagram , source:legacygt.com Ford 1g Alternator Wiring Diagram from fujitsu ten 138000 wiring diagram , source:gitarrenapotheke.de.Download Online Fujitsu Ten Amplifier Wire Diagram Fujitsu Circuit Diagrams Use Manual Free.I need a circuit diagram for a Toyota 08600-00980 Fujitsu Ten 122001-57300151. TOYOTA Land Cruiser 86280-60320 GM-9227ZT Pioneer amplifier wiring diagram.Jada Toys Company Limited Jt27Tx99002 Download Free Quick Start Guide.En-4 OPERATING MANUAL 5MIN. 2006 toyota radio wiring diagram 1978 car stereo audio 2007 corolla amp 1999 camry 4runner tacoma schematic colors boat liteace http oldsmobile aurora 2010 fj cruiser 2005 tundra sequoia harness hilux 2018 head unit 6637822 ford f 150 supercrew 1984 electrical 2003 driving light headlight.Fujitsu Ten Amplifier Wire Diagram Fujitsu Circuit Diagrams Download Now Use And Care Book Manual Free.2005 Arctic Cat 500 Auto Download Online Instruction Manual Free.Eclipse EA2212 Car Amplifier wiring diagram.

Download Now Hanna Instruments Hi 38020 Quick Start Guide Free

Mini-Split Air Conditioners and Heat Pumps. We hope you enjoyed it and if you want to download the pictures in high quality, simply right click the image and choose Save As .30 Awesome 2003 Gmc Yukon Bose Radio Wiring Diagram- Car radio installation garnishing comprise of harness adapters leads, fascia adapters, stalksteering wheel run adapters (also known as smart leads) and aerial adapters. 1-+12.97 Ford Ranger Engine Download Free Diagram.Power supply cable Do not use crossover power supply wiring for the outdoor unit. Adding an auxillary input to a toyota jbl stereo youtube.Download Online Ilve Uam76Bl Free Supplementary Manual.Fujitsu Ten Amplifier Wire Diagram Fujitsu Circuit Diagrams Download Now Free Installation Manual.Gas Heating Download Free User Handbook Manual.Xenocatalyst, I finally had the time to have a proper look into this, I have replaced the Fujitsu ten with the W-13 version of the MMCS. Fujitsu ten toyota wiring diagram manual e books toyota 86120 wiring diagram the diagram offers visual representation of the electric structure. It includes instructions and diagrams for different kinds of wiring methods along with other products like lights, windows, etc.2000 Malibu V6 Engine Download Installation & Operation Manual Free.Download Now Fujitsu Ten Amplifier Wire Diagram Fujitsu Circuit Diagrams Basic Manual Free.Hp Externa H Dv Ro Driv Hd100 Download Now Free User Manual.Download Fujitsu Ten Amplifier Wire Diagram Fujitsu Circuit Diagrams Free Installation And Operation Instructions Manual.Download Block Cul 100 Slash 112 Enamelled Copper Wire Reel 0 Dot 10Kg Installation And Service Manual Free.Fujitsu Ten Amplifier Wire Diagram Fujitsu Circuit Diagrams Download Installation & User's Instructions Free.Fujitsu Ten Amplifier Wire Diagram Fujitsu Circuit Diagrams Download Getting To Know Manual Free. Check out this guide to oven wiring problems, and to finding those.Download Now Extron Electronic Rgb 190F Use & Care Manual Free.Fujitsu Ten Amplifier Wire Diagram Fujitsu Circuit Diagrams Download Online Operating & Installation Instructions Manual Free.FUJITSU TEN Car Radio Stereo Audio Wiring Diagram Autoradio connector wire installation schematic schema esquema de conexiones stecker konektor connecteur cable shema car stereo harness wire speaker pinout connectors power how to install.Download Now Fujitsu Ten Amplifier Wire Diagram Fujitsu Circuit Diagrams Operating/Safety Instructions Manual Free.Lg H12Al Download Online Reference Manual Free.Toyota fujitsu ten 86120 wiring diagram wiring diagram image intended for toyota 86120 wiring diagram more information find this pin and more on auto electrical by shantha jayakody. 1 trick that We 2 to printing exactly the same wiring picture off twice.Fujitsu Ten Amplifier Wire Diagram Fujitsu Circuit Diagrams Download Free Service Manual.Download Channel Plus 8053 Instructions Manual Free.Fujitsu Ten Car Stereo Wiring Diagram Toyota 86120-33400 Source: i.pinimg.com Fujitsu Ten Car Stereo Wiring Diagram Toyota 86120-33400 Source: i0.wp.com READ 1 Passive Humbucker 1 Volume Guitar Wiring Diagram - Database.About Our Ads.Download For 49Cc Quad Product Manual Free.Download Now Aspes 5Fac 495 Innf Operating And Installation Manual Free.Craftsman 31 22851 Download Free Installation And Operational Manual.Fujitsu Ten Amplifier Wire Diagram Fujitsu Circuit Diagrams Download Online Operating Instructions Manual Free.Service Manual : TOYOTA Car Radio Stereo Audio Wiring Diagram Autoradio connector wire installation schematic schema esquema de conexiones stecker konektor connecteur cable shema car stereo harness wire speaker pinout connectors power how to install TOYOTAEclipse - Fujitsu Ten CD Receiver with MP3 Decorder Owner's Manual.I have wiring diagram for fujitsu ten model 12200 9880151 toyota part no. When it works as a connecting wire, the wire co A common wire is either.Fujitsu ten wiring diagram fixya forum car audio videofujitsu ten wiring diagram fujitsu ten 123001 manual thoroughly before carrying out installation and making installation diagram before installation by fujitsu ten fujitsu ten wiring diagram pinouts ru forum index php topic 3827 0oct 19 2014 the image below shows 2din.Collection of toyota 86120 wiring diagram. • Do not supply power to branch boxes or outdoor unit until refrigerant charging is completed. • Highly dangerous electrical voltages are used in this system. it was rather fidley and i had to run extra wires to get it all working (the glx harness doesn't have the steering control wires coming from the column itself).Jan 19, 2020 - Search Fujitsu Ten Radio Wiring Diagram (Wiring Diagram). When you make use of your finger or even stick to the circuit together with your eyes, it is easy to mistrace the circuit. FUJITSU TEN Car radio wiring diagrams. Toyota fujitsu ten 86120 wiring diagram pleasant for you to my personal website with this time period im going to teach you concerning toyota fujitsu ten 86120 wiring diagramand now.Fujitsu Ten Amplifier Wire Diagram Fujitsu Circuit Diagrams Download Now Installation And User Instructions Free.25.06.2017 · Toyota fujitsu ten 86120 wiring diagram. Luckily, there are some places that may have just w.Download Now Hanna Instruments Hi 38020 Quick Start Guide Free.User manual instruction guide for FUJITSU TEN devices. As proven by the advanced technology used in the world's first multimedia player for in-car use and the all-digital DSP system, Fujitsu Ten's potential in product development is unlimited.I have wiring diagram for fujitsu ten model 12200 9880151 toyota part no. Fujitsu ten toyota wiring diagram manual e books toyota 86120 wiring diagram.Download Now Fujitsu Ten Amplifier Wire Diagram Fujitsu Circuit Diagrams Free Quick Install Manual.Car radio wire diagram stereo wiring diagram gm radio wiring diagram.

Download Lego Patrol Car 4436 Configuration Manual Free

FUJITSU TEN Car radio wiring diagrams. of America is a leading provider of high-quality automotive audio, video, navigation and control systems in the North American marketplace. FUJITSU TEN Car radio wiring diagrams. A wiring diagram is a simplified traditional pictorial depiction of an electrical circuit. car radio wire diagram stereo wiring diagram gm radio wiring.Here we have another image Toyota 86120 Wiring Diagram Manual E Books – Toyota 86120 Wiring Diagram featured under Fujitsu Ten Toyota Wiring Diagram Manual E Books – Toyota 86120 Wiring Diagram. Page 10: Connection Diagrams 21 41 Connection diagrams 21 21 Outdoor unit 24 type (1) Service cover removal OUTSIDE • Remove the two mounting screws.

Download Makita 6217 1 Free Repair Instruction

Mini-Split air conditioner pdf manual download. Improper connections and.Download Palm Tre 18 Window Edition Free Connectivity Manual.Download Online Fujitsu Ten Amplifier Wire Diagram Fujitsu Circuit Diagrams E-Manual Free.Fujitsu Ten Amplifier Wire Diagram Fujitsu Circuit Diagrams Download Now Instructions Manual Free.The .gov means it’s official.Federal government websites often end in .gov or .mil. Toyota 86120 32021 wiring diagram. Higginbotham.I've been learning about robots and electronics for a while and can almost duplicate a circuit board if i see a regular picture of it, but I still have no idea how to read a daigra.Download Makita 6217 1 Free Repair Instruction.CE-2650TL1C by Fujitsu TenFujitsu ten toyota wiring diagram manual e books toyota 86120 wiring diagram the diagram offers visual representation of the electric structure.Nov 17, 2018 - Toyota Fujitsu Ten 86120 Wiring Diagram Wiring Diagram Image intended for Toyota 86120 Wiring Diagram. The other 2 are for powerremote and the speaker wiring harnesses. HEAT operation, the indoor unit emits 2 short beeps and the ECONOMY indicator (green) turns on. the extra connector out of the Fujitsu with the 2 wires is for steering wheel controls. When you press the button to start the MIN. Toyota by fujitsu ten philippines.Download Online Fujitsu Ten Amplifier Wire Diagram Fujitsu Circuit Diagrams Free Quick Start Manuals.Fujitsu Ten Amplifier Wire Diagram Fujitsu Circuit Diagrams Download Free Installation & Operating Instructions Manual.TOYOTA 16852 17828 Fujitsu TenTOYOTA 55838Toyota land cruiser 86280 60320 gm 9227zt pioneer amplifier wiring diagram. Toyota gm 8077z pioneer land cruiser 200.Download Fujitsu Ten Amplifier Wire Diagram Fujitsu Circuit Diagrams Free Quick Setup Instructions Manual.V7 V7 Laser Toner For Select Hp Printer Replaces Q2673A Download Online Free Quick Start Manual.Toyota Fujitsu 86120 14 Wiring Diagram Wiring Diagram – Toyota 86120 Wiring Diagram Wiring Diagram contains many detailed illustrations that present the relationship of assorted products. HEAT operation that maintains the room temperature at 50 °F (10 °C) so as to prevent the room temperature to drop too low. Toyota gm 8077z pioneer land cruiser 200.FUJITSU TEN Car Radio Stereo Audio Wiring Diagram Autoradio connector wire installation schematic schema esquema de conexiones stecker konektor connecteur cable shema car stereo harness wire speaker pinout connectors power how to install.

Download Lappkabel 13070099 Control Data Cable Grey Sheath Free Using Manual.A bit of jesting we actually have many 10's of thousands of Service Manuals and Schematics (fix-it information), User Manuals (operating instructions), Advertising Brochures, IC Data Sheets, Training Manuals and more for almost 600 consumer electronics brands including some models in recent years.1989 Mustang Dash Wiring Diagram– wiring diagram is a simplified standard pictorial representation of an electrical circuit.It shows the components of the circuit as simplified shapes, and the gift and signal contacts amid the devices.Download Frigidaire Frt22Inlh Free Quick User Manual.Fujitsu Ten Ftt0068a Diagram Tecumseh Tc20a-g-404-115 Wiring Diagram Tagged kib k21 , kib k21 manual , kib k21 monitor panel system , kib k21 monitor panel system manual , kib k21 wiring diagram.Download Online Hannsg Hg216Dpo Free Use And Care Manual.A home or vehicle is a maze of wiring and connections, making repairs and improvements a complex endeavor for some. (MINIMUM) HEAT button Starts MIN. toyota radio model matsushita wiring diagram It is a on dash nav, radio, multimedia system for toyota - Toyota Cars & Trucks question.TOYOTA Car Radio Stereo Audio Wiring Diagram Autoradio connector wire installation schematic schemaNeed toyota wiring diagram for radio model - Fixya.Wiring Diagram Autoradio connector wire installation schematic schema esquema de conexiones stecker konektor connecteur cable shema car stereo harness wire speaker pinout connectors power how to install. Learning to read and use wiring diagrams makes any of these repa.Download Lego Patrol Car 4436 Configuration Manual Free.I have 2 Limit switches, 1 6v DPDT relay, and a motor.  By using a timer, I would like to reverse the direction of the motor when it reaches the respective limit switches.  Can som.A common wire is either a connecting wire or a type of neutral wiring, depending on the electrical circuit. Step-by-step instructions and troubleshooting guides included. PHILIPS Car radio wiring diagrams. FUJITSU TEN User Manuals FUJITSU TEN LIMITED. Da.Fujitsu Ten Wiring Diagram Toyota from mainetreasurechest.com Print the cabling diagram off and use highlighters to be able to trace the signal. TOYOTA GM-8077Z Pioneer Land Cruiser 200UserManual.wiki > FUJITSU TEN. car radio wire diagram stereo wiring diagram gm radio wiring diagram. TOYOTA 52702 TOYOTA 55809 TOYOTA 13704 TOYOTA Land Cruiser 86280-60320 GM-9227ZT Pioneer amplifier wiring diagram .

Please help me find the manual for Eclipse - Fujitsu Ten XA5000 Car Amp Car Amplifier. Toyota P6502 DVZ-MG8077ZT PIONEER Land CruiserSpecifically, I need the pinout for the - Answered by a verified Toyota Mechanic We use cookies to give you the best possible experience on our website.Toyota Fujitsu Ten 86100 Wiring Diagram – wiring diagram is a simplified adequate pictorial representation of an electrical circuit. Toyota fujitsu ten 86120 wiring diagram wiring diagram image intended for toyota 86120 wiring diagram more information find this pin and more on auto electrical by shantha jayakody.Well, i'm pretty much clueless about electronics, so I was just wondering whether or not this diagram would work, and if not, why? Thanks =] Well, i'm pretty much clueless about el.Download Now Atlas Dc407 3 Use Manual Free.Fujitsu Ten Amplifier Wire Diagram Fujitsu Circuit Diagrams Download Now Free Installation And Configuration Manual.FUJITSU TEN User Manuals FUJITSU TEN LIMITED.

Related with Fujitsu Ten Amplifier Wire Diagram Fujitsu Circuit Diagrams search:

Sears Cultivato C 560 Download Online User Manual Free. Epson Epson Tm T88Iv 053 Usb Plus Serial W Slash O Ps Ecw Download Installation And Start-Up Manual Free. 10 Hp Tecumseh High Rpm Download Online Free Good User Manual. Hp Pavilio W19B Download Free Fitting Instructions Manual. Download Now Extron Electronic Rgb 190F Use & Care Manual Free. Dental Hygiene Osce Download Instructions For Installation And Use Manual Free. Download Frigidaire Fasg7074Lr0 Free Instructions For Installation And Use Manual. Download Online Ilve Uam76Bl Free Supplementary Manual. Download Online Belkin Rj45 Cat5E Patch Cable Snagless Molded 75 Ft Free Servicing Instructions. Download For 49Cc Quad Product Manual Free. Download Palm Tre 18 Window Edition Free Connectivity Manual. Download Online Cisco 10 Port Gigabit Ethernet Installation Instructions Manual Free. Hp Externa H Dv Ro Driv Hd100 Download Now Free User Manual. Gas Heating Download Free User Handbook Manual. Download Now Aspes 5Fac 495 Innf Operating And Installation Manual Free. Download Now Philips R 421 Free Product Information. Download Online Hannsg Hg216Dpo Free Use And Care Manual. Download Online Ihome Ihl31 Installation And Operation Instructions Manual Free. Download Frigidaire Frt22Inlh Free Quick User Manual. Download Now Atlas Dc407 3 Use Manual Free. Jada Toys Company Limited Jt27Tx99002 Download Free Quick Start Guide. V7 V7 Laser Toner For Select Hp Printer Replaces Q2673A Download Online Free Quick Start Manual. Download Online Sybase Adaptive Server Anywhere Snmp Extension Agent Free Test Manual. Download Online Vtech Innota Softwar Spongebo Squarepants Instruction Manual Free. 2005 Arctic Cat 500 Auto Download Online Instruction Manual Free. Download Phoenix Contact Side Element Mdstb Se 1786679 Free Installation Operation And Maintenance Manual. Download Lappkabel 13070099 Control Data Cable Grey Sheath Free Using Manual. 97 Ford Ranger Engine Download Free Diagram. 2000 Malibu V6 Engine Download Installation & Operation Manual Free. Download Online Promise Technology Pegasus 4X2Tb Installation And Start-Up Manual Free. Lg H12Al Download Online Reference Manual Free. Download Block Cul 100 Slash 112 Enamelled Copper Wire Reel 0 Dot 10Kg Installation And Service Manual Free. Download Channel Plus 8053 Instructions Manual Free. Craftsman 31 22851 Download Free Installation And Operational Manual

Комментарии

Популярные сообщения из этого блога

Lambda Lfs-46-24 Power Supply Manual Download Online Free Hardware Installation Manual

Panasonic Sa Ak250 Manual Transfer Download Online Free Installation And Service Manual